专业生产模板开关,按钮开关,微动开关等
CN
全国服务热线:
021-69105463
传真:021-69105413
EN
首页
公司概况
公司介绍
荣誉资质
企业文化
组织机构
产品中心
微动开关
翘板开关
电源开关
电源插座
滑动开关
过载保护器
按钮开关
保险丝座
钮子开关
其他开关
蜡马达热驱动器
新闻资讯
新闻中心
技术文章
技术实力
质检中心
生产现场
工艺设备
资料下载
招聘求贤
招聘求贤
空缺职位
毛遂自荐
联系我们
联系我们
留言咨询
企业旗舰店
当前页面:
首页
>
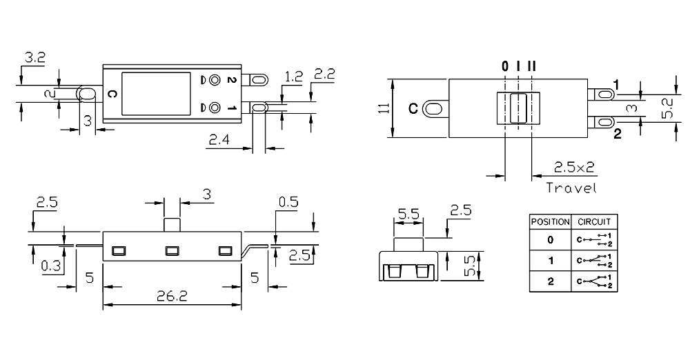
XN塑壳系列滑动开关
XN-12-1310
滑动开关系列
品质优良的滑动开关
长寿命、高可靠, 接线端子种类齐全。
多种开关功能, 多种开关拨块选技
端子脚种类齐全,可供选择
各国安规认证齐全UL、TUV、CQC等并符合ROHS
广泛应用于各种家用电器、电子设备、自动化设备、通讯设备、汽车电子、仪器仪表、电动工具等领域。
查看产品大图
查看pdf资料
电气性能
设计图纸
产品配套
产品选型
技术参数
选 型
产品型号:
您的选型内容将会显示在此
点击下面的链接进行相应操作:
获取样品
获取报价
获取设计图纸
在线预定