• 专业生产模板开关,按钮开关,微动开关等

  • 首页
  • >
  • KW3A型微动开关系列
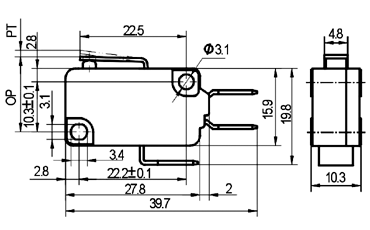
KW3A-16Z1
KW3A型微动开关系列
安全可靠的基本开关
外形美观,结构紧凑。具有微小触点间隙、快速动作、高灵敏和微小动作行程的特点。
长寿命、高可靠。
接线端子种类齐全
动作力范围宽
多种温度等级
配备各种形式动臂
采用热固性或塑料性塑料
广泛应用于各种家用电器、电子设备、自动化设备、通讯设备、汽车电子、仪器仪表、电动工具等领域。

 

 

 产品型号:
您的选型内容将会显示在此
点击下面的链接进行相应操作:
获取样品
获取报价
获取设计图纸
在线预定
  • No Image
  • MODEL
  • KW3A
  • KW3AT
  • KW3AH
  • KW3AG
  • View Image
  • 温度等级
  • 无标记
    T85,10T105
  • T
    T125
  • H
    T150
  • G
    T200
  • View Image
  • 额定值
  • 25(10)
    25(10)A 250VAC
  • 25
    25(4)A 250VAC
  • 16
    16(4)A250VAC/16A125VAC
  • 10
    10(3)A250VAC/10A125VAC
  • 5
    5(2)A250VAC/5A125VAC
  • 1
    1(0.3)A250VAC/1A125VAC
  • T21
    21(4)A250VAC
  • T16
    16(4)A250VAC/16A125VAC
  • T10
    10(3)A250VAC/10A125VAC
  • T05
    5(2)A250VAC/5A125VAC
  • T01
    1(0.3)A250VAC/1A125VAC
  • H22
    22A125VAC
  • H10
    10(3)A250VAC/10A125VAC
  • H05
    5(2)A250VAC
  • H01
    1(0.3)A250VAC/1A125VAC
  • G22
    22A125VAC
  • G10
    10A125VAC
  • G05
    5A125VAC/0.1A30VDC/1A30VDC
  • G01
    1A125VAC/0.1A30VDC/1A30VDC
  • View Image
  • 接触形式
  • Z
    转换式
  • T
    常开(按通)式
  • D
    常闭(按断)式
  • View Image
  • 驱动形式
  • 0
    无动臂
  • 1
    短动臂
  • 2
    长动臂
  • 3
    中动臂
  • 5
    滚轮动臂
  • 6
    弧形动臂
  • A1
    短动臂
  • A2
    长动臂
  • A3
    中动臂
  • A5
    滚轮动臂
  • A6
    弧形动臂
  • A口
    非标准动臂
  • No Image
  • 外壳材质
  • 无标记
    热塑性
  • G
    热固性
  • View Image
  • 外形特征
  • 无标记
    基本型
  • B
    平端形
  • C
    公共端侧面形
  • View Image
  • 端子类型
  • A
    250快接端子
  • B
    187快接端子(厚0.8mm)
  • C
    187快接端子(厚0.5mm)
  • D
    焊接/187共用端子
  • E
    螺孔端子
  • F
    焊接端子
  • L
    左侧面PCB端子
  • R
    右侧面PCB端子
  • H
    250快接端子之二
  • Y
    非标端子
  • No Image
  • 动作力
  • 015
    0.15N
  • 025
    0.25N
  • 050
    0.5N
  • 100
    1N
  • 150
    1.5N
  • 200
    2N
  • 300
    3N
  • 400
    4N
  • View Image
  • 按钮规格
  • 无标记
    票准按钮
  • A
    短按钮
  • B
    中长按钮
  • C
    长按钮
  • D
    平端按钮
  • No Image
  • 触点间隙
  • 无标记
    0.5mm
  • X
    1mm
  • Y
    3mm
  • No Image
  • 附加规格
  • 1
    当使用了非标准零件时
  • 2
    客户有特殊动作特性
  • 3
    当外壳颜色不是标准颜色时
 
Copyright © 2018上海昕满电子有限公司版权所有 All Rights Reserved 沪ICP备10212949号 网站设计:星海互联